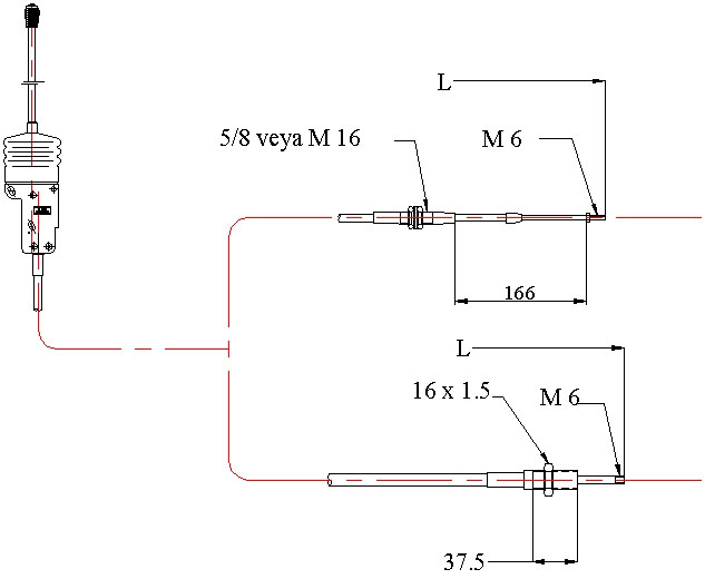
İTME VE ÇEKME KUMANDA SPİRALLERİ
+90 312 385 6 188

Ürünler > Kontrol Kutuları > KT-025

Hidrolik valf kontrollerinde ideal bir kontrol kutusudur.
Malzeme : Zamak
Strok :25 mm

KT-025

KULLANILAN KABLO TİPLERİ