PUSH-PULL CABLES & CONTROL SYSTEMS
+90 312 385 6 188

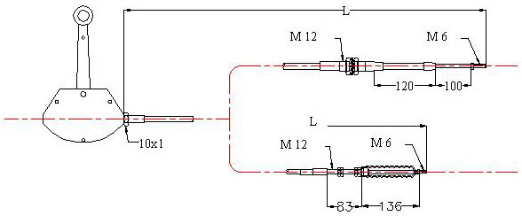
Products > Control Boxes > KT-035-001

It is an ideal general purpose control box.
For hand gas pedal and other mechanical controls.
Outer Casing : Aluminum
Standard Stroke : 100 mm.

KT-035-001

USED CABLE TYPES