PUSH-PULL CABLES & CONTROL SYSTEMS
+90 312 385 6 188

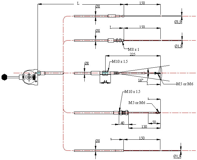
Products > Control Boxes > KT-031-L

It is an ideal control box for lower powers.
Outer Casing : Aluminum
Stroke : 93 mm.
* The locking function has

KT-031-L

USED CABLE TYPES