PUSH-PULL CABLES & CONTROL SYSTEMS
+90 312 385 6 188

Products > Spirals > Spirals For Heavy MachinerySpirals > Special Spirals > Type F Standard Cap

Type F Standard Cap

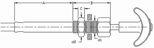
Type - F caps are controlled caps usually controlled manually. They are locked in when they are turned to the right or left, when they are turned counter wise. Other types of caps which are recommended to be used with this cap are; A, B, C, E, I.