
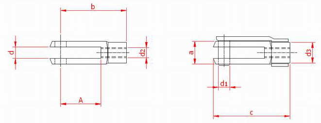
| TYPE | d | A | b | d1 | c | a | d2 | d3 | ||
| CT 12-A | 5 | 30 | 18 | 5 | 35 | 12 |
|
10 | ||
| CT 12-B | 6 | 36 | 25 | 6 | 45 | 12 |
|
10 | ||
| CT 16-A | 8 | 47 | 28 | 8 | 57 | 16 |
|
14 | ||
| CT 16-B | 8 | 47 | 28 | 8 | 57 | 16 |
|
14 | ||
| CT 20-A | 10 | 47 | 28 | 10 | 57 | 20 |
|
18 | ||
| CT 20-B | 10 | 47 | 28 | 10 | 57 | 20 |
|
18 | ||
| CT 22 | 12 | 50 | 35 | 12 | 62 | 22 |
|
20 |