
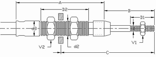
Type - C caps are very commonly used caps. They are used in double - acting spiral types produced by the KTS. Other types of caps which are recommended to be used with this cap are; its own type C and D, F, G, H, I, J, K, M. Globe joint and fork link to d 1 are used as coupling piece to d 2 with central linked regular joint.