İTME VE ÇEKME KUMANDA SPİRALLERİ
+90 312 385 6 188

Ürünler > Spiraller > Özel Spiraller > D Tipi Standart Başlık

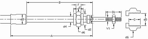
D Tipi Standart Başlık

D-Tipi başlıklar çok kullanılan başlık tipleridir.KTS’nin ürettiği çift etkili spiral tiplerinde kullanılırlar. Bu başlıkla birlikte çalışabilecek tavsiye edilen başlık tipi I dır.